94 Takeuchi Tb 015 Ersatzteile
14004 02640 schwarz roter o ring nr. You ve come to the right place.
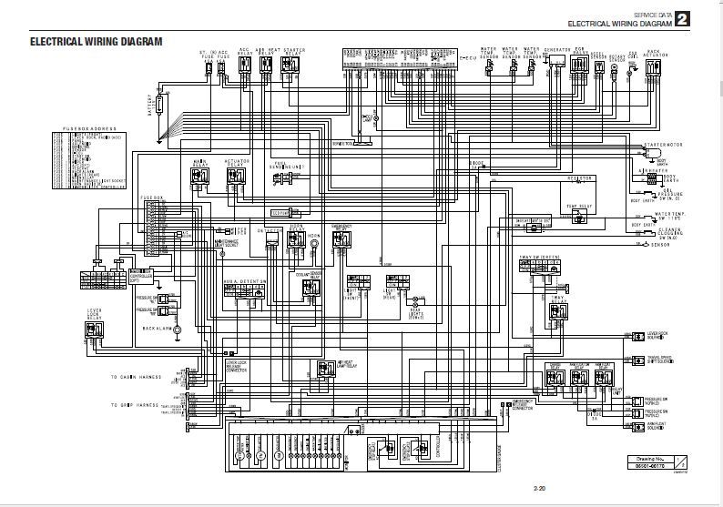
Takeuchi Tb 15 Betriebsanleitung
Fuel precleaner for takeuchi tb 125 ab seral number 12514526 oil filter for takeuchi tb 125 ab seral number 12514526 air filter for takeuchi tb.

Takeuchi tb 015 ersatzteile. 2 x 0001671001 ersetzt die nr. 14210 20450 beinhaltet auch den stützring nr. Takeuchi tb 015 s minibagger ersatzteile.
Wide range of genuine and non genuine spare parts. We would like to show you a description here but the site won t allow us. Spares for takeuchi tb015 mini excavator.
Takeuchi tb015 excavator parts new aftermarket used and rebuilt tb015 parts. Wir liefern ersatzteile für takeuchi minibagger tb015. Ersatzteile zubehör für minibaggertb015s takeuchi von händlern aus der ganzen welt.
Wir helfen ihnen gerne weiter. We sell a wide range of new aftermarket used and rebuilt tb015 replacement parts to get your machine back up and running quickly. Give us a call submit an online quote request or select a.
Dieser bereich befindet sich noch im aufbau und weitere ersatzteile werden ständig hinzugefügt. Reparatursatz buchsen bolzen für takeuchi bagger tb 015 bestehend aus. Salsach 28 a 8483 deutsch goritz mobil.
View and download takeuchi tb015 operator s manual online. Hydraulikteile motorteile filter dichtungen und viele weitere ersatzteile jetzt zeitsparend und einfach zum richtigen preis finden. Including pins bushes and more.
43 3474 70 517 40. 43 3474 70 517 fax. 1421020450 passend für takeuchi bagger tb 135 tb 235 tb 035 incl.
43 664 11 38 277 peter puntigam mobil. Tb015 excavators pdf manual download. Wenn sie ihr ersatzteil nicht finden wenden sie sich bitte an uns.
Looking for takeuchi tb015 excavator parts. Lectura specs baumaschinen minibagger minibagger ersatzteile takeuchi minibagger ersatzteile teile für takeuchi tb 015 s ersatzteile. 43 664 85 99 738 markus stradner büro.
0001521002 bolzen 2 x 0011901004 bolzen 2 x 0002130022 buchse 6 x 0002330040 buchse 1 x 1900046302 buchse zylinder kolbenstange 12 x 1432200030 abstreifring bei einzelbestellung der vorstehenden teile des reparatursatzes wäre der bestellwert eur 425 30 wir haben.
Excavator Takeuchi Tb015 Parts
Takeuchi Minibagger Ersatzteile Gebraucht Takeuchi Minibagger Ersatzteil Kaufen
Zubehor Zu Takeuchi Minibagger Tb015 Yanmar Diesel 3tna72l Utbz
Takeuchi Minibagger Tb015 Yanmar Diesel 3tna72l Utbz
Gummikette Takeuchi Tb015 Baggerkette 230x48x62 Gummiketten Baggerketten Fur Minibagger Online Shop
Fur Yanmar 3tna72 Kurbelwelle Assy Verwendet Teil 719660 21700 Fur Takeuchi Tb015 Bagger 3tna72l Ytbz Diesel Motor Reparatur Assis Aliexpress
Takeuchi Tb 015 Minibagger Gebraucht Kaufen Preis 13156 Eur Bei Truck1 1168825
Fahrantrieb Fahrmotor Fahrgetriebe Takeuchi Tb015 Gam Baumaschinenteile Gmbh
Tag Archive For Takeuchi Final Drives Terrapart International Ltd Page 4
Hydraulic Filter For Takeuchi Tb 15 Yanmarmotor Hydraulic Filter Ebay
Gehlmax Mb138 1992 Mini Kompact Digger Construction Equipment Photo And Specs
Ersatzteilliste Minibagger Takeuchi Tb 015 Eur 49 99 Picclick De
Wilhelm Schafer Gmbh Baumaschinen Von Takeuchi
China Ersatzteile Fur Takeuchi Bagger Hersteller
Hydraulikpumpe Takeuchi Tb044 Tb070 Gam Baumaschinenteile Gmbh
Takeuchi Parts Buy Takeuchi Parts With Free Shipping On Aliexpress
Takeuchi Tb 015 S Technische Daten 1991 1999 Specs Lectura De
Ersatzteile Fur Takeuchi Tb 135 Motor Yanmar 3tne88 Baumaschinentei
Air Filter For Takeuchi Tb 015 Motor Yanmar 3tna72l Air Filter Ebay
Ersatzteile Fur Takeuchi Tb 135 Motor Yanmar 3tne88 Baumaschinentei
Zylinderkopf Takeuchi Tb015 Gebrauchte Ersatzteile Fur Buamaschinen Gebrauchte Ersatzteile Gebrauchte Ersatzteile Fur Zulinderkopf Sjorup Group Weltweit Export
Herzbolzen Nr 0011514004nbt Takeuchi Tb 015 Kolbl Alois Baumaschinen
Spare Parts Takeuchi Tb 015 Tb015 Tb 015 Rever Store
Takeuchi Tb 015 Equipment Parts
Takeuchi Tb 015 Zum Verkauf Tradus
Spare Parts Takeuchi Tb 015 Tb015 Tb 015 Rever Store
Bucket Link Takeuchi Tb016 Tb014 Tb015 Plant Spares Online
Spare Parts Takeuchi Tb 015 Tb015 Tb 015 Rever Store
Ams Construction Parts Takeuchi Tb015 Excavator Parts
Tb014 Mini Wheel Idler Digger Front Idler For Takeuchi Buy Chain Idler Tb014 Mini Digger Front Idler Tb014 Mini Excavator Rollers Parts Product On Alibaba Com
Takeuchi Tb015 Minibagger Gebraucht Kaufen Bei Truck1 1768980
Spare Parts Takeuchi At Truck1 Ireland
Takeuchi Tb 015 Equipment Parts
Zylinderkopf Takeuchi Tb015 Gebrauchte Ersatzteile Fur Buamaschinen Gebrauchte Ersatzteile Gebrauchte Ersatzteile Fur Zulinderkopf Sjorup Group Weltweit Export
Grosshandel Takeuchi Teilekatalog 2015 Von Haoxikeji 84 69 Auf De Dhgate Com Dhgate
Hydraulikmotor Fur Takeuchi Tb125 Bagger Kaufen Polen Gliwice Bn10412
Takeuchi Tb 15 Betriebsanleitung
Original Bolzen Und Buchsensatz Fur Ihren Takeuchi Tb015 Jetzt Bei Uns Im Shop Kaufen
Oil Filter For Takeuchi Tl 130 Engine Yanmar 4tnv84t 12 82
Untere Laufrolle Fur Minibagger Takeuchi Tb015
Untere Laufrolle Fur Minibagger Takeuchi Tb015
Original Takeuchi Service Kit Tb015
Filterset Fur Takeuchi Tb 015 Yanmar 3tna72l Utbz
Steel Bushing 50x60x65 Grease Groove Inner E G For Takeuchi Tb014 T 36 99
Sonstige Ol Takeuchi Tb015 Filter Service Set Luft Kraftstofffilter Business Industrie Publiciudad Cl
Reparatursatz Fur Takeuchi Bagger Tb 015 Kolbl Alois Baumaschinen
Takeuchi Tb015 Compact Excavator Ersatzteilliste Parts Catalog 1992 Eur 79 90 Picclick De
Takeuchi Tb015 Minibagger Gebraucht Kaufen Preis 7250 Eur Baujahr 1998 Bei Truck1 893389
Luftfilter Takeuchi Tb 015 Motor Yanmar 3tna72l Luft Filter Firma I Przemysl Filtry Fye Yemen Com
Minibagger Takeuchi Tb 15 In 4451 Garsten Fur 7 000 00 Zum Verkauf Shpock At
Minibagger Takeuchi Tb015 1997 Kaufen Bei Truck1 Liechtenstein Id 1744653
Fahrantrieb Fahrmotor Endantrieb Takeuchi Tb015 Tb15 In Nurnberg Nordstadt Gebrauchte Baumaschinen Kaufen Ebay Kleinanzeigen
Fahrantrieb Fahrmotor Fur Takeuchi Tb045 Minibagger Bagger Neu In Thuringen Erfurt Gebrauchte Baumaschinen Kaufen Ebay Kleinanzeigen
Rubber Track For Airman Ax 30 448 92
Dynamo Generator Fur Yanmar John Deere Kokusan Denki Komatsu
Takeuchi Tb015 Ebay Kleinanzeigen
Kit Pied De Fleche Bolzen Und Buchsen 1 2 12 13 Fur Takeuchi Tb015
Oil Filter For Takeuchi Tb 015 Motor Yanmar 3tna72l Oil Filter Ebay
Takeuchi Tb 015 S Technische Daten 1991 1999 Specs Lectura De
Takeuchi Tb 015 Ebay Kleinanzeigen
Tag Archive For Takeuchi Final Drives Terrapart International Ltd Page 4
Spare Parts Takeuchi Tb 015 Tb015 Tb 015 Rever Store
Reparatursatz Fur Takeuchi Bagger Tb 219 Kolbl Alois Baumaschinen
Hydraulikpumpe Takeuchi Tb015 Gam Baumaschinenteile Gmbh
Spare Parts Takeuchi At Truck1 Ireland
Original Takeuchi Ersatzteile Bei Uns Im Shop
Zylinderkopf Takeuchi Tb015 Gebrauchte Ersatzteile Fur Buamaschinen Gebrauchte Ersatzteile Gebrauchte Ersatzteile Fur Zulinderkopf Sjorup Group Weltweit Export
Takeuchi Tb 015 Mini Excavator From Austria For Sale At Truck1 Id 2856737
Reparatursatz Fur Takeuchi Bagger Tb 015 Kolbl Alois Baumaschinen
Reparatursatz Buchsen Bolzen Fur Takeuchi Bagger Tb 175 Kolbl Alois Baumaschinen
Hydraulics Filter For Bobcat 319 Engine Kubota D 722 17 70
Africa Plant Equipment February 2016 Edition By Africa Plant Equipment Issuu
Takeuchi Tb015 Ebay Kleinanzeigen
Takeuchi Tb 015 Mit Verstallbarem Laufwerk Minibagger In Deutschland Zum Verkauf Truck1 Osterreich
Zwolnica Przekladnia Jazdy Hydromotor Takeuchi Tb025 Ersatzteile Fur Bagger Kaufen Polen Gliwice Vy9098
Takeuchi Tb 015 Mini Excavator 1995 8959 Gbp For Sale Id 2856737
Bedienungsanleitung Takeuchi Tb 035
Takeuchi Tb 015 Zum Verkauf Tradus
Tb015 Fahrmotor Getriebe Undicht Takeuchi Baumaschinen Bau Forum Bauforum24
Filter Set For Takeuchi Tb 15 Yanmarmotor 3tna72l Utb Filter Ebay
Zylinderkopf Takeuchi Tb015 Gebrauchte Ersatzteile Fur Buamaschinen Gebrauchte Ersatzteile Gebrauchte Ersatzteile Fur Zulinderkopf Sjorup Group Weltweit Export
Takeuchi Tb 015 Equipment Parts
Fahrmotor Endantrieb Takeuchi Tb015 Tb15 Tb15a Minibagger
Takeuchi Tb014 Schaukel Motor Takeuchi Tb015 Tb15 Reihe Motor Takeuchi Tb016 Tb16 Dreh Motor Buy Takeuchi Schaukel Motor Takeuchi Reihe Motor Takeuchi Dreh Motor Product On Alibaba Com
Ensemble Filtres Pour Takeuchi Tb 015 Yanmarmor Ebay
Kit Pied De Fleche Bolzen Und Buchsen 1 2 12 13 Fur Takeuchi Tb015
Raupenkette Fur Takeuchi Tb 015 Tb 016 Minibagger Kaufen Ukraine Kalush Nd10245
Takeuchi Ersatzteile Takeuchi Ersatzteile Gebraucht Kaufen
Takeuchi Tb 015 Equipment Parts
Tb015 Fahrmotor Getriebe Undicht Takeuchi Baumaschinen Bau Forum Bauforum24
Takeuchi Tb 015 Zum Verkauf Tradus
Reparatursatz Fur Takeuchi Bagger Tb 015 Kolbl Alois Baumaschinen
Reparatursatz Fur Takeuchi Bagger Tb 015 Kolbl Alois Baumaschinen



