72 Woodster Pc 11 Ersatzteile
Woodster scheppach elpumps silky michelin riwall sandrigarden. So rüttelt die pc 11 bei einem verdichtungsdruck von 11 000 newton und einem gewicht von 64 5 kilogramm schon 25 cm tief.
2 390 4601 013.

Woodster pc 11 ersatzteile. Pc 11 vibračná doska univerzálny hutniaci stroj kategórie 65 kg vhodný na hutnenie zemín živičných vrstiev zámkovej dlažby stláčanie zeminy v záhradách opravy ciest a ďalšie terénne práce. Diese anbieter aus der umgebung bieten auch dienste in ichenhausen an. Je rovněž vhodný pro práce ve stísněných prostorech jako jsou úzké výkopy nebo podél základů zdí či.
3 390 4601 014. Kiirem liikumiskiirus tagab suurema tootlikkuse komplekti kuulub transportraam kergeks ühemehe transpordiks komplekti kuulub läbipaistev vulkolaanmatt plokksillutustöödeks mootori jõul edasi liikumine piisavalt kerge et võimaldada. 6 390 4601 018 feder satz 2 stück spring set 2 pcs.
Všechny informace o produktu vibrační deska woodster pc 11 porovnání cen z internetových obchodů hodnocení a recenze woodster pc 11. Plaatvibraator pc 11 on kerge ja kaasaskantav kuid efektiivne tihendusplaat töötamiseks siseõuedes maastikul ja või elurajoonides. Ersatzteile woodster.
Woodster pc 11 vibračná doska. Základová doska je lisovaná zo 6mm oceľového plechu a preto je veľmi odolná voči skrúteniu. Univerzální hutnící stroj kategorie 65 kg vhodný pro hutnění zemin živičných vrstev zámkové dlažby pěchování zeminy v zahradách opravy cest a další terénní práce.
Woodster gmbh in ichenhausen wurde aktualisiert am 14 01 2021. Shop thrustmaster casques volants contrôleurs et accessoires pour ordinateurs et consoles de jeux. Die pc 13 bearbeitet mit ihren 86 5 kilo und einem druck von 13 000 newton sogar untergründe für pflaster wege und terrassen bis zu einer tiefe von 30 cm.
1 390 4601 012. Bestellen sie online ersatzteile für rasenmäher vertikutierer motorsensen hochentaster holzspalter laubsauger und weitere gartengeräte. Woodster vibračná doska pc 11 sa hodí pre dlaždičské práce aj pre stavby ciest záhrad a práce v teréne.
5 390 4601 016. Wir haben ersatzteile für verschiedene scheppach und woodstar gartengeräte wie zum beispiel scheppach biostar 3000 scheppach lbh3800e scheppach bcw33p scheppach tt400bs scheppach bg ph 2652. Popis produktu woodster pc 11.
3 5 390 4601 017 gaszug kpl. Má tiež veľkú odolnosť proti opotrebeniu. 4 390 4601 015.
Woodster Pc11 Pc13 Ruttelplatte Luftfilter Filter Ebay
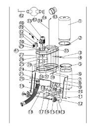
Pc 11 Pc 13 Ruttelplatte D Gb Pl Vibratory Plates Art Nr Art Nr Pc 11 Pc 13 Original Anleitung Pdf Free Download
Https Www Ebay De Itm Woodster Gaszug Bowdenzug Fuer Woodster Pc 11 Pc 13 Ruettelplatte Ruettler 283490128683
Woodster Pc11 Ruttelplatte Amazon De Baumarkt
Pc 11 Pc 13 Ruttelplatte D Gb Pl Vibratory Plates Art Nr Art Nr Pc 11 Pc 13 Original Anleitung Pdf Free Download
196 Cm Tanksieb Fur Denqbar Motor 4 8 Kw 6 5 Ps
Seilzugstarter Fur Herkules Rp1100b Woodster Pc13 Pc11 Ruttelplatte Ebay
Woodster St 10 L2 Originalanleitung Pdf Herunterladen Manualslib
Vergaser Satz Fur Woodster Pc11 Ruttelplatte 89923 Amazon De Baumarkt
Vergaser Satz Fur Woodster Pc11 Ruttelplatte 89923 Amazon De Baumarkt
Bedienungsanleitung Woodster Lh45 Seite 6 Von 24 Deutsch Englisch Franzosisch
Pc 11 Pc 13 Ruttelplatte D Gb Pl Vibratory Plates Art Nr Art Nr Pc 11 Pc 13 Original Anleitung Pdf Free Download
Pc 11 Pc 13 Ruttelplatte D Gb Pl Vibratory Plates Art Nr Art Nr Pc 11 Pc 13 Original Anleitung Pdf Free Download
Seilzugstarter Fur Herkules Rp1100b Woodster Pc13 Pc11 Ruttelplatte Ebay
Http Data Woodster Sk Sk Attach Woodster Lv 65 Stipac Dreva Pdf
Ersatzteile Fur Woodstar Holzspalter Bei Ma Versand Rasentraktor Ersatzteile Landtechnik Und Forsttechnik Ma Versand
Woodster Ruttelplatte Pc 08 Kaufen Bei Obi
Vergaser Satz Fur Woodster Pc11 Ruttelplatte 89923 Amazon De Baumarkt
Vergaser Satz Fur Woodster Pc11 Ruttelplatte 89923 Amazon De Baumarkt
Ersatzteile Fur Woodstar Holzspalter Bei Ma Versand Rasentraktor Ersatzteile Landtechnik Und Forsttechnik Ma Versand
Pc 11 Pc 13 Ruttelplatte D Gb Pl Vibratory Plates Art Nr Art Nr Pc 11 Pc 13 Original Anleitung Pdf Free Download
Bedienungsanleitung Woodster Lh45 Seite 6 Von 24 Deutsch Englisch Franzosisch
Ersatzteile Baumax Baumaschinen
Pc 1100 Pc Ruttelplatte Original Anleitung Vibratory Plates Translation From The Original Instruction Manual Pdf Kostenfreier Download
Pc 11 Pc 13 Ruttelplatte D Gb Pl Vibratory Plates Art Nr Art Nr Pc 11 Pc 13 Original Anleitung Pdf Free Download
Saeco Ersatzteile Bruhgruppe Royal Neu Z44
Https Vorschau E Bedienungsanleitung De Vorschau Handbuch Kostenlos 14701 Werkzeuge Woodster Lv 80 Seite 1 Html
Suchergebnis Auf Amazon De Fur Ruttelplatte Ersatzteile Rasenmaherersatzteile Garten
Scheppach Woodstar Keilriemen Fur Ruttelplatte Pc 08 Hp 800 S 3904604014 Eur 26 80 Picclick De
Https Www Hornbach Ch Data Shop D04 001 780 493 605 17 8608611 Doc 01 Ch 20131209124615 Pdf
Scheppach Woodstar Keilriemen Fur Ruttelplatte Pc 08 Hp 800 S 3904604014 Ebay
Bedienungsanleitung Woodster Lh45 Seite 6 Von 24 Deutsch Englisch Franzosisch
Pc 11 Pc 13 Ruttelplatte D Gb Pl Vibratory Plates Art Nr Art Nr Pc 11 Pc 13 Original Anleitung Pdf Free Download
Woodster Ruttelplatte Pc 08 Kaufen Bei Obi
Pc 11 Pc 13 Ruttelplatte D Gb Pl Vibratory Plates Art Nr Art Nr Pc 11 Pc 13 Original Anleitung Pdf Free Download
Ersatzteile Fur Woodstar Holzspalter Bei Ma Versand Rasentraktor Ersatzteile Landtechnik Und Forsttechnik Ma Versand
Ersatzteile Fur Woodstar Holzspalter Bei Ma Versand Rasentraktor Ersatzteile Landtechnik Und Forsttechnik Ma Versand
Kettensage Ersatzteile Arnold Sagekette Fur Motorsage Stihl 023l Schwert 25 Cm 3 8 1 1 Business Industrie Cur Aa Ufl Edu
Saeco Ersatzteile Bruhgruppe Royal Neu Z44
Kity Pc 1100 Anleitung Pdf Herunterladen Manualslib
2x Woodster Riemen Keilriemen A725li Fur Pc11 Pc13 Ruttelplatte Ebay
Woodster Gaszug Bowdenzug Ruttelplatte Pc 11 Pc 13 Usw Ebay
Ersatzteile Fur Woodstar Holzspalter Bei Ma Versand Rasentraktor Ersatzteile Landtechnik Und Forsttechnik Ma Versand
Kettensage Ersatzteile Arnold Sagekette Fur Motorsage Stihl 023l Schwert 25 Cm 3 8 1 1 Business Industrie Cur Aa Ufl Edu
Ersatzteile Fur Woodstar Holzspalter Bei Ma Versand Rasentraktor Ersatzteile Landtechnik Und Forsttechnik Ma Versand
Schwarzer Reversierstarter Fur Denqbar Motor 390 Cm Ersatzteile Motoren
Ersatzteile Zubehor Ersatzteil Rasierklinge Fur Braun Flex Xp Xpii 5719 5720 5721 5722 5723 5724 Haushaltsgerate Tmp Tozi Media
Woodster Ruttelplatte Pc 08 Kaufen Bei Obi
3904604014 Riemen Keilriemen Fur Hp800s Pc 08 Bis Bj 11 2013 Ruttelplatte Scheppach Woodstar
Woodster Gaszug Bowdenzug Fur Woodster Pc 11 Pc 13 Ruttelplatte Ruttler Eur 39 00 Picclick De
Handelsunternehmen Dineiger Kohlebursten Passend Fur Woodster Sl 10 Lu Kappsage Zugsage Schleifkontakte Kappsage
Werkzeuge Benzinfilter Fur Woodster Pc11 Pc13 Ruttelplatte Heimwerker Hsdsonline Com
Ersatzteile Maschinen Kity Scheppach Probois Machinoutils
Scheppach Woodstar Keilriemen Fur Ruttelplatte Pc 08 Hp 800 S 3904604014 Eur 26 80 Picclick De
Ersatzteile Fur Woodstar Holzspalter Bei Ma Versand Rasentraktor Ersatzteile Landtechnik Und Forsttechnik Ma Versand
Pc 11 Pc 13 Ruttelplatte D Gb Pl Vibratory Plates Art Nr Art Nr Pc 11 Pc 13 Original Anleitung Pdf Free Download
Vergaser Fur Hp1100s Scheppach Ruttelplatte 0113 Ebay
3904601088 Starter Fur Pc 11 Hp1100s Woodstar Scheppach Ruttelplatte
Ersatzteile Zubehor Ersatzteil Rasierklinge Fur Braun Flex Xp Xpii 5719 5720 5721 5722 5723 5724 Haushaltsgerate Tmp Tozi Media
Seilzugstarter Fur Herkules Rp1100b Woodster Pc13 Pc11 Ruttelplatte Eur 15 59 Picclick De
3904601060 Wellendichtring Simmerring Fur Pc08 Hp800s Pc11 Hp1100s Scheppach Woodstar Ruttelplatte
Gaszug Inkl Bowdenzug Seilzug Fur Woodster Pc11 Pc13 Ruttelplatte Ebay
Pc 11 Pc 13 Ruttelplatte D Gb Pl Vibratory Plates Art Nr Art Nr Pc 11 Pc 13 Original Anleitung Pdf Free Download
3904601029 Keilriemen Hp1100s Pc11 Scheppach Woodstar Ruttelplatte
Woodster Ruttelplatte Pc 08 Kaufen Bei Obi
Scheppach Gaszug Bowdenzug Ruttelplatte Hp 800 1100 1300 Usw Eur 31 90 Picclick De
Pc 11 Pc 13 Ruttelplatte D Gb Pl Vibratory Plates Art Nr Art Nr Pc 11 Pc 13 Original Anleitung Pdf Free Download
Vergaser Satz Fur Woodster Pc11 Ruttelplatte 89923 Amazon De Baumarkt
Handelsunternehmen Dineiger Kohlebursten Passend Fur Woodster Sl 10 Lu Kappsage Zugsage Schleifkontakte Kappsage
Pc 11 Pc 13 Ruttelplatte D Gb Pl Vibratory Plates Art Nr Art Nr Pc 11 Pc 13 Original Anleitung Pdf Free Download
Pc 11 Pc 13 Ruttelplatte D Gb Pl Vibratory Plates Art Nr Art Nr Pc 11 Pc 13 Original Anleitung Pdf Free Download

























